Model No. XR820060 TIMKEN
Type : Cross roller Bearings
Size: 580x760x80mm
Weight: 100 KG
Datasheet and drawing can be offered.
Stock available for fast delivery,contact me for a quick quotation
Sales Director :arya
Email: arya@bearing-sun.com
The XR820060 bearing is a cross tapered roller bearing,Commonly produced by Timken. It has a bore diameter of 580 mm, an outer diameter of 760 mm, and a width of 80 mm.
Please feel free to email me if you are interested .arya@bearing-sun.com
                                                                           
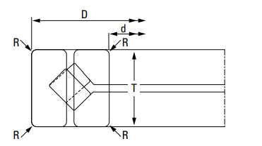
Drawing & Size

| Type | Cross roller Bearings | 
| Model No. | XR820060 TIMKEN | 
| d | 580 mm | 
| D | 760 mm | 
| T | 80mm | 
| Weight | 100 KG | 
Below same series bearings are recommended
| Model No. | d | D | T | weight/kg | 
| XR496051 | 203.2 | 279.4 | 31.75 | 6.5 | 
| XR678052 | 330.2 | 457.2 | 63.5 | 35 | 
| XR766051 | 457.2 | 609.6 | 63.5 | 51 | 
| XR820060 | 580 | 760 | 80 | 100 | 
| XR855053 | 685.8 | 914.4 | 79.375 | 150 | 
| XR882055 | 901.7 | 1117.6 | 82.55 | 185 | 
| XR889058 | 1028.7 | 1327.15 | 114.3 | 400 | 
| XR897051 | 1549.4 | 1828.8 | 101.6 | 500 |